王老师:19139051760(微信同号) 13333709510
找答案
注册
登录
名词解释
所有科目
成人高考
成考院校
联大
青书学堂
文才
和学
现代兴业
安徽教育在线
超星
弘成
广东开放大学
国家开放大学
上海开放大学
含弘慕课
教育服务
成人高校
成考录取分数线
我要提升学历
提升学历的理由:
升职加薪、积分落户、考研、公务员考试、子女入学、出国留学
成人高考报名入口
当前位置:
首页
>
青书学堂系统
>
佳木斯大学
>
佳木斯大学语言治疗学
输入试题:
本题添加时间:2024/3/10 14:36:00
圆梦客服:王老师 19139051760(微信同号) 19139051760(微信同号)
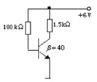
电路如图所示,晶体管工作在( )。
·放大区
·截止区
·饱和区
·不一定
答案是:单选题
·放大区
出自
佳木斯大学语言治疗学
青书学堂系统
佳木斯大学
更多试题>>>>
1、
振荡器之所以能获得单一频率的正弦波输出电压,是依靠了振荡器中的 ( )。
·选频环节
·正反馈环节
·基本放大电路环节
·稳幅环节
2、
甲类功率放大电路,在理想情况下的最高效率只能达到( )。
·0.25
·0.5
·0.785
·0.48
3、
功率放大电路通常工作在( )。
·大信号状态
·小信号状态
·脉冲信号状态
·任何状态
4、
差分放大电路是为了( )而设置的。
·稳定Au
·放大信号
·抑制零点漂移
·稳定静态工作点正确答案:
5、
三态门输出高阻状态时,( )是不正确的说法。
·用电压表测量指针不动
·相当于悬空
·电压不高不低
·测量电阻指针不动
提升学历-成人高考报名入口
提升学历-成人高考院校名单