王老师:19139051760(微信同号) 13333709510
找答案
注册
登录
名词解释
所有科目
成人高考
成考院校
联大
青书学堂
文才
和学
现代兴业
安徽教育在线
超星
弘成
广东开放大学
国家开放大学
上海开放大学
含弘慕课
教育服务
成人高校
成考录取分数线
我要提升学历
提升学历的理由:
升职加薪、积分落户、考研、公务员考试、子女入学、出国留学
成人高考报名入口
当前位置:
首页
>
青书学堂系统
>
川北医学院
>
川北医学院口腔医学院
输入试题:
本题添加时间:2023/11/28 21:57:00
圆梦客服:王老师 19139051760(微信同号) 19139051760(微信同号)
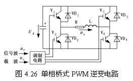
单相桥式PWM逆变电路如下图,单极性调制工作时,在电压的正半周是( )
·V1与V4导通,V2与V3关断
·V1常通,V2常断,V3与V4交替通断
·V1与V4关断,V2与V3导通
·V1常断,V2常通,V3与V4交替通断
答案是:单选题
·V1常通,V2常断,V3与V4交替通断
出自
川北医学院口腔医学院
青书学堂系统
川北医学院
更多试题>>>>
1、
二极管两端加上正向电压时( )
·一定导通
·超过死区电压才导通
·超过0.3V才导通
·超过0.7V才导通
2、
( )是依靠专门的换流回路使晶闸管在需要的时刻关断
·负载振荡式换流
·强迫换流
·可关断晶闸管换流
·大功率晶体管换流
3、
三相半波可控整流电路的自然换相点是 。
·交流相电压的过零点;
·本相相电压与相邻相电压正、负半周的交点处;
·比三相不控整流电路的自然换相点超前30°;
·比三相不控整流电路的自然换相点滞后60°。
4、
双向晶闸管内部有( )个PN结
·3
·4
·5
·6
5、
晶闸管电流的波形系数定义为( )
·
提升学历-成人高考报名入口
提升学历-成人高考院校名单